| Sign In | Join Free | My benadorassociates.com |
|
Brand Name : GNEE
Place of Origin : China
MOQ : 1 Ton
Price : Negotiable
Payment Terms : L/C, T/T
Supply Ability : 10000 Tons Per Month
Delivery Time : 30 Days
Packaging Details : Gunny Bags or Cartons And Wooden Pallet
As a type of light rail, 24 kg rail is widely used in various types of light rail, mining transportation, sightseeing train lines, short-distance transportation systems in factories, amusement parks and other places with its moderate bearing capacity and convenient installation and maintenance characteristics. In the logistics and transportation industry, it plays an indispensable role, not only improving transportation efficiency, but also reducing operating costs.
Especially in tourist attractions, this track is the first choice for sightseeing trains. It not only ensures the safety of tourists, but also provides a smooth and comfortable ride experience. In some small transportation systems in rural areas or around cities, this light rail is also favored for its low cost and flexibility.
In addition, in urban rail transit construction, 24 kg rail is also often used as an auxiliary line or test line for the development and testing of new models. Its stable performance and flexible layout make it an indispensable part of the rail transit field.
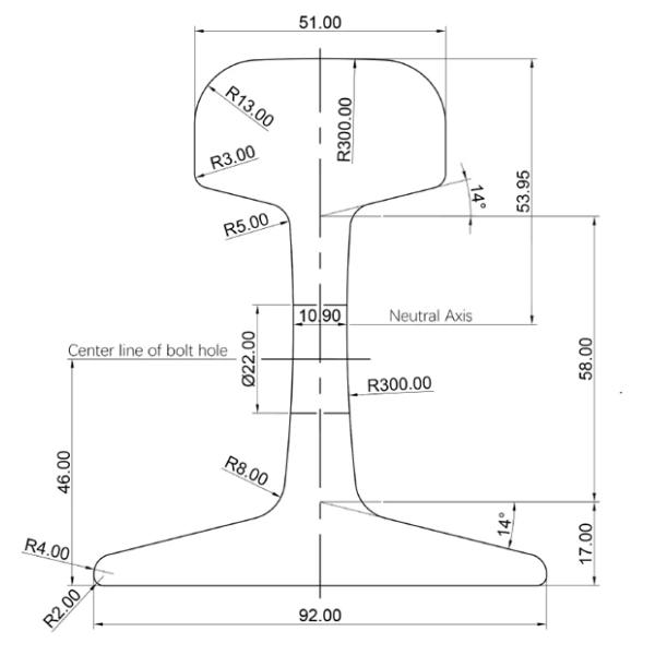
24kg light steel rail
| type | weight (kg/m) | material | length (m) |
| 24kg | 24.46 | 55Q | 6-10m |
| rail height (mm) | bottom width (mm) | head width (mm) | web thickness (mm) |
| 107 | 92 | 51 | 10.90 |
Light Steel Rail
| Light Steel Rail | size | Rail Height | Bottom Width | Head Width | Web Thickness | Weight kg/m |
| 8kg | 65 | 54 | 25 | 7 | 8.42 | |
| 12kg | 69.85 | 69.85 | 38.1 | 7.54 | 12.2 | |
| 15kg | 79.37 | 79.37 | 42.86 | 8.33 | 15.2 | |
| 18kg | 90 | 80 | 40 | 10 | 18.06 | |
| 22kg | 93.66 | 93.66 | 50.8 | 10.72 | 22.3
|




GNEE (Tianjin) Multinational Trade Co., Ltd.
In 2008, our Rail Foreign Trade Company established a good reputation in the market with innovative thinking and professional services. The trust of 8,000+ customers is the driving force for our continuous progress, and the business territory of 160+ countries is the witness of our continuous expansion. 200+ employees are meeting every new challenge and opportunity with full enthusiasm and firm belief.

1. What factors affect the price of rails?
The price of rails is affected by many factors, including raw material costs, manufacturing processes, specifications, order quantities, and transportation methods.
2. How to maintain rails?
Rail maintenance usually includes regular inspections of wear, cleaning of debris, and reinforcement of track foundations. In addition, the use of high-quality rails can also reduce the frequency of maintenance.
3. How is the wear resistance of rails?
High-quality rails have extremely high wear resistance and can effectively prevent wear caused by friction between trains and tracks.
4. Which railways are rails suitable for?
Rails are suitable for various railway systems, including high-speed railways, urban rail transit, freight railways, etc.

|
|
China Manufacturer 24KG Railway Welding Equipment Railroad Tracks Light Grooved Steel Rail Rail Steel Images |